当前位置:首页>南京>南京工程学院 竺明哲、王宇航、葛乐 | 多逆变器并网系统谐振分析及抑制策略研究综述

南京工程学院 竺明哲、王宇航、葛乐 | 多逆变器并网系统谐振分析及抑制策略研究综述

  • 2026-04-16 18:04:45
南京工程学院 竺明哲、王宇航、葛乐 | 多逆变器并网系统谐振分析及抑制策略研究综述

多逆变器并网系统谐振分析及抑制策略研究综述

竺明哲王宇航葛乐

(南京工程学院 电力工程学院、沈国荣学院,南京 211167)

DOI:10.19585/j.zjdl.202603010

摘 要并网逆变器为新能源发电核心装备,而多逆变器并网系统存在潜在的谐振风险。为此,对近年来该领域研究成果进行了梳理并对未来发展趋势进行展望。分析了影响多逆变器谐振的因素,包括电网阻抗、非线性特性、逆变器参数差异等方面。在建模方法层面,重点探讨诺顿等效模型、特征值分析模型以及谐波状态空间模型的建模方法及其优缺点与适用场景。阐述了有源阻尼法、阻抗重塑和有源阻尼器等主动谐振抑制策略。最后,围绕所提及的3个方面,对其未来的发展趋势和核心挑战进行了展望。本文可为多逆变器并网系统谐振问题的研究提供参考,助力高比例可再生能源接入下的电网稳定运行。
关键词多逆变器系统谐振稳定性谐振抑制策略

0引言

为加速推进绿色低碳转型,我国提出了“碳达峰”和“碳中和”的新目标。在这一历史性进程中,电力行业作为能源转型的核心力量,肩负着推动“双碳”目标落地实施的关键使命1-2。而并网逆变器作为新能源发电的核心装备,其在应用场景、电路拓扑结构以及控制策略方面均呈现多样化特点,这使得多逆变器集群产生的谐振问题的分析复杂度大幅提升3
近些年,国内外发生了多起逆变器集群的谐振事件,通常表现为不同频率区间的电压振荡。2011年河北沽源地区风电场发生了振荡频率为3~10 Hz的次同步振荡事件4;2015年新疆哈密地区风电场多次出现频繁的次同步振荡事故,振荡频率在20~40 Hz范围内变化5。除低频次同步振荡外,高频谐波谐振问题也逐渐显现:2017年云南鲁西异步联网工程发生了约1 271 Hz的高频谐波谐振6;2021年胡杨河地区某光伏电站则频繁出现约2 500 Hz的高频振荡现象7。上述案例表明,逆变器集群并网条件下的振荡问题具有频带跨度大、机理复杂、工程影响显著等特点,亟需开展系统性的分析与综述研究。不同频段的振荡一旦失控,轻则导致设备过热、寿命缩短,重则引发连锁故障,甚至造成大面积停电,如西班牙大停电便凸显了此类问题的破坏性。因此,针对多个逆变器系统潜在的谐振问题,开展谐振机理分析并研发基于多种设备介质的谐振抑制手段,已成为保障新型电力系统可靠运行的重要研究方向。
文献[8]指出,谐振由逆变器的固有特征与并网接入点处等效电网阻抗构成的谐振条件共同作用而形成。针对逆变器谐振的抑制策略从被动谐振阻尼逐渐发展为主动监测与抑制策略。文献[9]提出了一种并网电流全前馈与PCC(公共耦合点)并联虚拟导纳相结合的谐振抑制方法,增强了逆变器对线路阻抗和电网阻抗变化的鲁棒性。文献[10]提出一种仅采用逆变器侧电流反馈的谐振抑制策略。文献[11]提出了基于自抗扰控制策略的并网电流主动谐振抑制策略。在此基础上,文献[12]设计一种基于三阶线性状态观测器的自抗扰控制与准PR(比例谐振)控制相结合的双闭环控制策略,简化了主动谐振抑制策略的复杂结构。此外,文献[13]通过采用新型GaN(氮化镓)器件提高逆变器带宽,抑制低频并网系统低频谐振。文献[14]从拓扑角度,基于LLCL型拓扑提出了在LC串联支路上并联一个虚拟电阻的混合阻尼控制策略,显著降低逆变器自身谐振特性。以逆变器主体视角开展的谐振机理与抑制策略研究已形成了成熟的技术方案,随着电网电力电子化特征日益显著,逆变器集群的交互作用影响逐渐改变了系统谐振机理,复杂逆变器阻抗网络对谐振模型与抑制策略都提出了更高的要求。
当前,单纯聚焦于逆变器自身特征已难以满足新型电力系统稳定运行的实际需求,深入探索多逆变器系统引起的谐振问题已成为逆变器谐振稳定研究的必然趋势。文献[15]指出多逆变器并联可以在特定条件下等效为具备多个谐振特征的单逆变器系统的稳定性问题,但在综合了逆变器线路阻抗、非线性负载、参数差异、装机容量等诸多不确定因素后,系统的谐振问题已难以转化为线性时不变的简单模型。多项研究对多逆变器系统谐振问题的复杂度开展了系统性分析讨论16-17,本文参考近年来的研究成果,通过建立多逆变器并联系统模型,分析并梳理了多逆变器系统谐振的影响因素、建模方法以及抑制策略,旨在为多逆变器谐振的研究提供参考。

1多逆变器并网系统建模

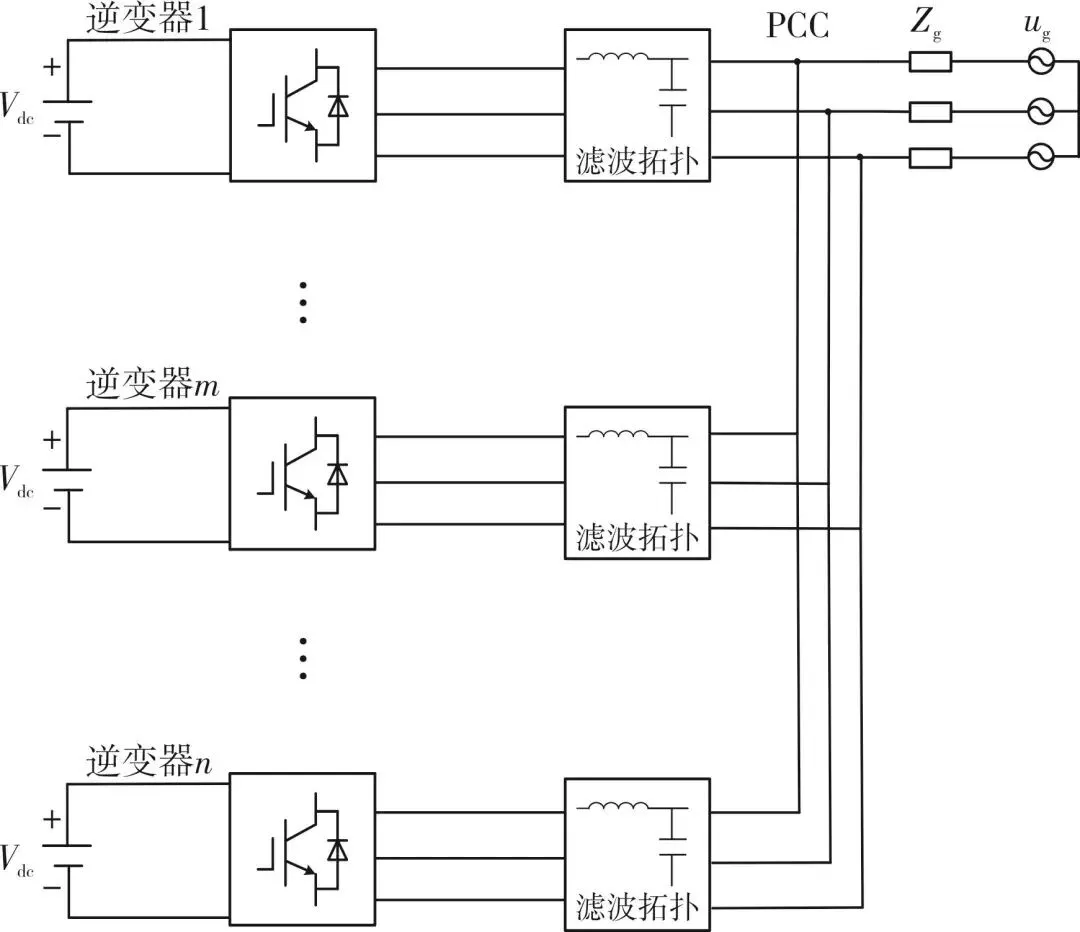
多逆变器并网系统如图1所示。图中的滤波拓扑可以为L型滤波器、LC型滤波器和LCL型滤波器等多种拓扑结构,不同滤波拓扑具有不同的特点18
图1多逆变器并网系统结构Fig.1Structure of a multi-inverter grid-connected system
多逆变器的谐振机理要比单逆变器更加复杂,不仅要考虑单逆变器自身的谐振问题,还要考虑因多逆变器并联耦合所产生的谐振问题19。研究表明,多逆变器之间产生谐振与各逆变器输出阻抗的并联有关,若在某一频率下总输出阻抗的感性阻抗与容性阻抗相抵消,则系统会在该频率下形成低阻尼振荡20。系统发生谐振时的单逆变器电流和电压波形如图2所示。并网电流FFT(快速傅里叶变换)分析如图3所示。
图2系统发生谐振时单逆变器的电流和电压波形Fig.2Current and voltage waveforms of a single inverter during system resonance
图3并网电流FFT分析Fig.3FFT analysis of grid-connected current

2多逆变器谐振的影响因素分析

多逆变器的并联会出现新的谐振点,并且伴随着逆变器数量的增加,新的谐振点会向低频移动,谐振峰值有所降低12。逆变器数量的变化只是影响多逆变器系统谐振的因素之一,电网阻抗的参数、逆变器的非线性特性和逆变器之间的参数差异,都会对系统谐振点产生影响。为充分考虑这些影响因素以选取适配的谐振抑制策略,本章将分析影响多逆变器谐振的关键因素。

2.1电网阻抗

在多逆变器系统中,各个逆变器之间通过输电线路和公共母线相互连接,线路阻抗会在这些连接点处形成复杂耦合的阻抗网络。线路阻抗的分布参数、母线的阻抗等因素都可能影响逆变器系统的耦合特性,改变系统潜在谐振频率与发生机制21-23,同时,对锁相环带宽及等效输出导纳也会造成影响24-25,从而影响多逆变器系统谐振稳定性。

2.2非线性特性

在多逆变器并网系统中,逆变器非线性特性对谐振现象有着复杂且关键的影响。其非线性特性主要体现在3个层面:其一,功率开关管的PWM(脉冲宽度调制)过程,该非线性源于电力电子变换器的本质工作原理,不可消除26;其二,数字控制系统的固有延时,实际工程应用中的并网逆变器普遍采用微控制器构建数字控制系统,控制延时是此类系统的典型特征26;其三,器件非理想特性,包含死区效应等,尽管可通过死区时间补偿策略抑制死区效应引发的低次谐波累积,但在多逆变器并联运行的场景下,谐波畸变程度将显著加剧,极大增加了系统谐振问题分析的复杂性27

2.3逆变器参数差异

在多逆变器建模分析中,将逆变器设置为相同参数可以简化多逆变器系统结构和分析过程28-29。然而多逆变器间的参数差异会引发差异化的谐振现象30,文献[31]表明,多逆变器容量相同时逆变器之间处于解耦状态,而逆变器容量不同时,逆变器因耦合效应产生复杂的谐振因子,降低系统的稳定性。此外,滤波参数32和控制参数33也会对系统稳定性造成影响。这将显著增加系统的建模复杂度。
表1为几种典型的多逆变器系统的谐振抑制方法对比。

表1典型的谐振抑制方法对频率和幅值的影响Table 1Effects of typical resonance suppression methods on frequency and amplitude

在多逆变器集群谐振特性研究中,单纯依赖理想化建模方法(如忽略参数差异的一致性假设、简化电网阻抗的线性模型)可能导致谐振特性分析的失真。因此,建模方法需突破传统理想化假设的局限性,构建包含多影响因素的精细化建模。

3建模方法与分析

为了研究谐波共振问题,已经有多种建模方法用来解决多逆变器并网中的谐振问题。

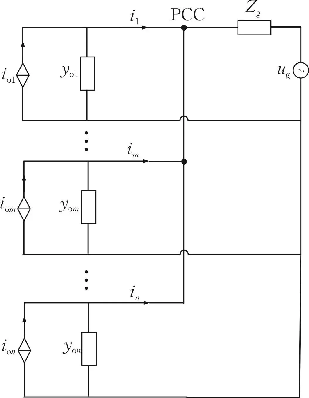
3.1诺顿等效模型

在并网逆变器系统的谐振分析中,诺顿等效模型能够有效表征多逆变器系统的动态特性,多台逆变器的诺顿等效电流源与导纳并联后,其叠加阻抗网络可描述参数分散性(如滤波器参数差异、控制带宽不一致)引发的谐振模态耦合现象。多并网逆变器系统的诺顿等效模型如图4所示,其诺顿等效模型是单个诺顿等效模型的扩展与叠加。
图4多并网逆变器系统诺顿等效模型Fig.4Norton equivalent model of a multi-grid-connected inverter system
每个逆变器在PCC处的诺顿等效模型并联,再与电网阻抗耦合,最终得到整个系统在PCC处的总诺顿等效模型。多逆变器的诺顿等效参数并非简单叠加,需要考虑多种耦合因素。文献[34]针对多逆变器集群在弱电网环境下的谐振抑制问题,构建了基于闭环诺顿等效电路的逆变器与电网交互模型。该模型采用理想电流源并联逆变器输出导纳的诺顿等效结构表征逆变器动态特性,同时将弱电网抽象为理想电压源串联电网阻抗的戴维南等效结构。文献[35]针对多台并网逆变器的谐振问题,构建诺顿等效模型,对谐振峰的分布进行了分析。文献[36]通过传递函数建立了诺顿等效模型,分析得到多逆变器中含有多个谐振频率,且下谐振峰频率会随着并网阻抗的增加而逐渐减小。以上分析只针对系统中各个逆变器参数相同的情况,当逆变器参数不同时,采用多逆变器诺顿等效模型进行分析,将极大的增加建模难度。

3.2模态分析法

系统特征根作为线性系统稳定性分析的关键指标,能够有效表征逆变器并网系统的谐振特性。然而在多逆变器并联场景中,若沿用传统传递函数法推导系统特征根,其计算复杂度将随逆变器台数增加呈指数级增长。以含n台逆变器的并网系统为例,单台设备需逐一建立与其余n-1台逆变器的交互关系模型,尤其当网络拓扑结构发生改变时,需重新构建全系统传递函数矩阵,导致分析效率显著下降。模态分析法通过特征值-特征向量分解,能够系统集成控制策略、电网阻抗及参数差异性等谐振影响因素,并揭示多逆变器系统的模态耦合机制。如果在特定频率处,有谐振产生,则有如式(1)所示的节点电压方程:
(1)
式中:为节点电压矢量;为频率的节点导纳矩阵;为节点电流注入矢量。
可以进一步的被分解,如式(2)所示:
(2)
式中:为对角特征值矩阵;分别为左、右向量矩阵,且满足
式(1)就可以变化为:
(3)
再令模态电压矢量和模态电流矢量:
(4)
(5)
有以上变化,式(1)最终表达式如式(6)所示:
(6)
对角特征值矩阵中的每一个元素都分别对应了一种谐振模式下的模态阻抗。这样模态电压与模态电流只与模态阻抗有关。
文献[37]首次将模态分析法引入电网谐振机理研究。文献[38]进一步将该方法应用于风电场谐振特性评估,构建了基于模态分析的集群式逆变器谐振分析框架。然而,传统模态分析方法存在显著局限性,其仅依据模态阻抗幅值判定系统谐波谐振程度,可能导致谐振风险的误判或漏判。针对这一局限性,文献[39]提出改进模态分析方法,通过引入半功率带宽法对模态分析结果进行进一步求解和改进;文献[40]则通过构建模态分析与参与因子相结合的综合系统来分析多逆变器并网的谐振问题。
模态分析法通过解析系统特征值与特征向量,能够精准定位系统的谐振点,并借助参与因子量化各节点对谐振的贡献程度,是研究多并网逆变器系统谐振问题的有效工具。然而,现有研究在建模过程中,存在着只分析单一控制模式下的逆变器的问题。鉴于不同控制模式会改变系统动态特性,进而影响模态分布规律,因此如何针对多逆变器系统开展不同控制模式下的模态分析研究对阐述多逆变器谐振机理具有重要意义。

3.3谐波状态空间法

在多逆变器系统建模中,时域仿真模型存在精度局限,频域建模难以捕捉系统时变特性,而HSS(谐波状态空间)法的优点是能够在建模过程中纳入系统变量的各次谐波分量并将时域线性周期时变系统中周期性变化的变量转化为复频域线性时不变系统中的直流量,在兼顾建模精度的同时又避开了时域分析中复杂的迭代计算过程,成为电力电子系统谐振分析的重要工具。
考虑一个周期性时变系统,其状态方程和输出方程可表示为:
(7)
式中:为状态变量;为输入;为输出;为周期为T的时变矩阵。
用傅里叶对各个变量进行展开,以状态变量为例:
(8)
将暂态量加入式(8)中,如式(9)所示:
(9)
式中:k次谐波分量;输入、输出以及时变矩阵均可以展开为傅里叶级数。
将上述傅里叶展开代入式(7),利用谐波平衡理论41,可整理得到各次谐波分量之间的线性关系。最终形成的谐波状态空间模型如式(10)所示:
(10)
式(10)可知第k次谐波的状态/输出不仅与自身谐波分量相关,还与其他次谐波(k-m)通过时变矩阵的谐波分量耦合。
在使用HSS法进行多逆变器谐振分析时,理论上需要考虑无穷多次谐波,但实际应用中需截断高次谐波(如保留k=-NN次),否则会导致模型阶数过高。此时,系统的输入向量与输出谐波向量的关系可表示为:
(11)
式中:为谐波传递函数矩阵,描述了各次谐波分量之间的传递关系;
文献[42]基于HSS分析多逆变器间谐波耦合问题,但因未计入异步载波效应,所建并联系统模型存在精度偏差。针对这一问题,文献[43]构建了计及异步载波的并联系统完整HSS模型;文献[44]将通信理论中的双音贝塞尔函数融入PWM调制器建模,通过查找表提升HSS建模的效率与精度;文献[45]进一步提出HSS与MPC(模型预测控制)融合的算法,通过HSS建模与MPC的协同设计,实现了多逆变器系统的谐波抑制。
HSS法突破了传统频域方法的限制,可以直接分析周期性时变系统,并且可以用显式描述出多频次耦合谐波之间的关系,但HSS法仅适用于严格周期性时变系统,对于非周期性或随机时变系统不适用。

3.4其他建模方法

文献[46]将数据结构理论引入拓扑建模,定义了堆栈型与二叉树型两种典型并联网络结构。通过构建谐波源至并网电流和逆变器间线路阻抗电流的传递函数,实现了对多台并网逆变器与电网交互谐振特性的量化分析,为深入探究系统谐振抑制策略提供了新的理论框架。然而,该研究存在局限性,其分析对象仅涵盖采用相同控制方式的逆变器,尚未涉及不同控制策略下逆变器的建模,在模型普适性和应用场景拓展方面仍有进一步研究空间。
表2从建模方法的优缺点及其应用场景对诺顿等效模型、模态分析法和HSS法进行了对比总结。

表2诺顿等效模型、模态分析法和HSS法对比Table 2Comparison of Norton equivalent model, modal analysis method, and HSS method

在实际工程应用场景中,需结合具体研究目标与系统特性,合理选取适配的建模方法,从而为多逆变器系统的谐振分析与抑制策略设计提供可靠的理论支撑。

4谐振抑制技术研究进展

在多逆变器并联系统中,谐振抑制的主要方法有被动阻尼和主动抑制两种。

4.1被动阻尼技术

阻尼谐振尖峰最直接的方法是在LCL滤波器中串联或并联电阻,这种方法也被称为无源阻尼法。根据电阻放置的位置不同,共有6种基本的无源阻尼方式,如图5所示。
图56种基本的无源阻尼方式Fig.5Six basic passive damping methods
不同的无源阻尼方式具有不同的特点12
1)电感串联电阻会降低系统的低频增益,并且伴随着串联电阻的增大,低频增益下降显著;对系统的高频增益几乎没有影响。
2)电感并联电阻会削弱系统的高频谐波衰减能力,并且伴随着并联电阻的减小,高频谐波衰减能力减弱;对系统的低频增益几乎没有影响。
3)电容串联电阻会削弱系统的高频谐波衰减能力,并且伴随着串联电阻的增大,高频谐波衰减能力减弱;对系统的低频增益几乎没有影响。
4)电容并联电阻不会对系统在低频段和高频段的幅频特性产生影响。
由上可知,电容并联电阻的阻尼效果最好。文献[3]指出,采用滤波电容并联电阻的无源阻尼配置方案,可在维持系统低频段与高频段幅频特性的同时实现谐振抑制。无源阻尼法通过在滤波器中串联或并联电阻、电感等无源元件,直接耗散谐振能量以实现振荡抑制,具备结构简洁、鲁棒性强的显著优势。然而,无源阻尼网络的引入会导致额外的能量损耗(尤其在高频工作区域),进而造成系统效率降低及经济性下降,成为制约其工程应用的关键因素。

4.2主动抑制策略

无源阻尼策略通过引入电阻元件提升系统阻尼比,但其固有的功率耗散特性会导致能量转换效率下降。因此,工程应用中更趋向于采用主动阻尼技术。该方法通过控制算法构建虚拟阻抗环节,从而在避免额外损耗的同时实现系统谐振的有效阻尼。相较于被动阻尼技术,主动阻尼策略无需增加物理耗能元件,兼具抑制谐振与提升系统经济性的双重优势,成为当前多逆变器并网系统谐振抑制的研究热点。
4.2.1有源阻尼法
在多逆变器并网系统的有源阻尼技术研究中,文献[47]只在谐振频率处向系统注入谐波电导,因此有源阻尼器的容量大大降低。该方法在频域内仅对谐振频率点的电网阻抗进行重塑,对基波控制影响较小。针对谐波频段的谐振抑制需求,文献[34]设计了基于虚拟谐波电阻的有源阻尼方法,其仿真结果表明,当对系统逆变器均注入6.5 Ω虚拟电阻时,原谐振峰值(约35 dB)可有效抑制至5 dB。文献[48]则通过在控制系统中串联虚拟电阻的方式构建阻尼环节,研究发现抑制强度随虚拟阻值增大呈单调增强趋势。文献[49]中每台逆变器都采用自身的滤波电容电流反馈构成虚拟阻尼。文献[50]则采用滤波电容并联虚拟电阻的架构,仿真结果显示,当比例系数在合理区间内增大时,系统谐振峰值可获得有效衰减。
弱电网下多逆变器并网系统的谐振问题一直广受关注,当计及背景谐波时,逆变器的电网电压前馈环节引入正反馈通路,将进一步恶化系统的电能质量。文献[51]将电网电压全前馈和有源阻尼器相结合起来,在减少背景谐波电压对并网电流影响的同时也抑制了多逆变器与电网之间的谐振。文献[52]提出了一种改进加权电流控制的方法来避免前馈环节的影响,并在PCC处并联虚拟导纳,对多逆变器并网系统的谐振抑制作进一步的优化。
有源阻尼法中,除基于状态变量反馈的经典方案外,基于陷波器的频率选择性阻尼方法逐渐成为研究热点53。常用的陷波器传递函数表达式如式(12)所示。
(12)
式中:为陷波角频率;为品质因数。
文献[54]设计了基于SOGI(二阶广义积分器)的陷波器多级谐振抑制策略,基于SOGI构造的陷波器因具备对特定频率分量的显著衰减能力以及在非目标频段维持信号完整性的特性,为谐振抑制提供了新的技术路径。具体而言,可利用SOGI的频率选择特性,在PCC处设计虚拟导纳环节,该环节对基波分量呈现高阻抗特性以避免影响正常功率传输,对谐波电流则呈现低阻抗特性以构建阻尼通路。仿真与实验结果表明,该策略有效抑制了弱电网环境中多逆变器并联系统的谐振现象。此类基于陷波器的有源阻尼技术通过频率维度的精细化调控,实现了对谐振的定向抑制。
在多逆变器并网系统的谐振抑制技术中,无源阻尼法与有源阻尼法并非相互独立。无源阻尼法通过引入电阻、电感等硬件元件耗散谐振能量,具备结构简单、鲁棒性强的优势,但存在额外能量损耗(尤其是高频段);有源阻尼法则通过控制算法构建虚拟阻抗以实现谐振抑制,虽避免了物理损耗,却依赖复杂的控制参数设计。鉴于单一阻尼策略的局限性,文献[55]提出了一种融合无源阻尼与有源阻尼特性的混合阻尼策略。该方法通过协同设计硬件阻尼网络与控制算法,实现了“能量损耗最小化”与“算法复杂度降低”的双重优化。仿真结果表明,所提混合阻尼策略可有效抑制多逆变器系统的谐振峰值,验证了该方法在复杂并网场景下的技术优越性。
4.2.2阻抗重塑
在多逆变器系统谐振抑制领域,阻抗重塑技术可划分为窄带与宽带两类实现形式。陷波器、SOGI等方法虽能通过阻抗调节抑制谐振,但其性能高度依赖固定频率条件,对电网频率偏移呈现显著敏感性,属于典型的窄带阻抗重塑方案。针对窄带技术的局限性,研究人员进一步提出宽带阻抗重塑方法。例如,通过在PCC处引入额外谐振抑制装置56,基于低通滤波器的滤波网络57和基于阻抗模型的有源阻尼控制策略58,都可对较宽频率范围内的谐振现象形成有效抑制,可显著提升系统对频率波动的鲁棒性。
4.2.3有源阻尼器
有源阻尼器作为独立于并网逆变器本体的硬件装置59,其设计初衷是通过动态重塑系统阻抗来抑制谐振。该装置可独立并联于PCC处,在不干扰逆变器原有控制策略的前提下实现谐振阻尼,具备设计模块化、系统兼容性强的优势,但存在施工成本与维护复杂度较高的工程局限性。有源阻尼器并联在PCC处的典型端口等效电路如图6所示。其中,基波电流源用于将直流侧电容吸收的谐波能量回馈电网,维持直流侧电压稳定。有源阻尼器的总端口阻抗由原始端口阻抗和虚拟阻抗两部分组成,二者都能够为系统中的谐振提供阻尼。
图6有源阻尼器并联在PCC处的典型端口等效电路Fig.6Typical port equivalent circuit of active damper connected in parallel at PCC
文献[60]提出一种基于有源阻尼器的自适应虚拟电阻控制策略,通过在PCC处接入阻尼单元并实时调节虚拟电阻参数,在有效抑制系统谐振的同时降低电网能量损耗。然而,受限于逆变器开关频率,低开关频率场景下数字控制延时与有限控制带宽会导致虚拟电阻的等效阻抗特性偏离理论设计值,影响阻尼精度。针对这一问题,文献[61]提出一种虚拟电阻补偿方法,通过分析低开关频率下控制带宽与数字延时对虚拟电阻准确性的影响机理,提出一种新的虚拟电阻补偿方法。该方法使补偿后的虚拟电阻在目标阻尼频段呈现理想电阻特性,有效抑制系统谐振,为有源阻尼器在低开关频率工况下的应用提供了优化方案。
表3为几种典型的多逆变器系统的谐振抑制方法对比。

表3典型的谐振抑制方法优缺点对比Table 3Comparison of advantages and disadvantages of typical resonance suppression methods

在多逆变器并网系统谐振抑制领域,除传统阻尼策略外,部分研究聚焦于控制算法优化与频率自适应调节技术62-68。针对控制延时对谐振抑制效果的影响,文献[62]提出一种基于自适应滤波算法的预测补偿方法,通过建立预测模型对控制环路进行前馈补偿,有效削弱了数字控制延时引发的相位滞后对系统稳定性的不利影响,实验结果表明该方法可提升多逆变器系统在延时场景下的谐振抑制能力。QRC(准谐振控制器)是另一种具备频率选择性的谐振抑制技术63。该控制器通过设计合适的控制器参数,使其在特定的谐振频率处产生高增益,进而能够对该频率下的信号进行精确跟踪或抑制。其核心机制是通过调节带宽和中心频率参数,对谐振分量进行补偿,从而在已知谐振频率的前提下有效抑制系统振荡。然而,在多逆变器场景中,各装置因开关频率、调制策略及负载条件差异导致谐振频率呈现宽频分布特性,使得QRC的预设频率参数难以覆盖实际谐振模态。因此,如何实现多逆变器系统谐振频率的实时检测与幅值量化分析,是接下来研究QRC的一个发展方向。

5展望

在新能源并网规模持续扩充、电力电子设备渗透率显著提升的技术背景下,多逆变器并网系统的谐振问题已成为制约现代电网安全稳定运行的核心问题。本文已在前几章对现阶段谐振影响因素、建模方法及谐振抑制策略进行了阐述,接下来将从这三方面展望该领域的发展趋势。
1)当前,针对单一因素引起的多逆变器系统谐振问题已有了较为深入的研究,多因素耦合(时变阻抗、多源非线性、异构参数等)的谐振问题已开展部分研究。然而,多因素耦合形成的复杂多逆变器系统谐振问题,需要在增加谐振影响因素变量的基础上,有效解构各种因素的交互耦合关系,在进一步研究中探究新能源波动、负荷变化等电力系统主动支撑能力变化和协同调控影响下的多种因素动态耦合机制,明确多因素协同下谐振演化规律,是多变流器系统谐振问题研究的发展趋势。
2)本文在建模方法中分析了构建诺顿模型、模态分析法和HSS法3种多逆变器建模方法。这3种建模方法各有优劣,可结合目标具体特性选择建模方法。但多因素耦合建模需纳入更多非理想参数和动态特性,导致模型复杂度提升,并且存在随着多逆变器数量的增加所导致的计算复杂度指数级增长的问题,未来可发展分布式建模框架和模型降阶技术,在保证建模精度的前提下,降低计算负担,满足实时分析需求。
3)面对多逆变器异构系统,谐振频率随工况动态变化且可能存在多个谐振点,现有抑制策略难以快速追踪并同步抑制,如何实现宽频带内时变谐振的精准定位与实时调控,是核心挑战。在未来将针对多逆变器集群内多谐振点并存的特性,发展宽频带阻抗重塑技术、多级陷波网络优化技术以及混合阻尼的参数自适应协调策略,实现多谐振点的同步抑制。

6结语

在“双碳”目标推动电力行业加速能源转型的背景下,多逆变器作为新能源发电的核心装备,其规模化并网应用与潜在谐振风险的矛盾日益突出。本文围绕多逆变器并网系统的谐振稳定性问题,系统梳理了近年来的研究成果,主要内容如下:
1)在谐振机理与影响因素方面,多逆变器谐振不仅涉及单逆变器自身与电网阻抗构成的谐振条件,还因多逆变器并联耦合产生新的谐振问题—当某一频率下总输出阻抗的感性与容性分量抵消时,系统易形成低阻尼振荡。现有研究虽已明确多逆变器谐振是单逆变器固有特性与电网阻抗耦合、多机并联输出阻抗抵消共同作用的结果,但复杂场景下的机理仍需深入挖掘。
2)影响多逆变器谐振的关键因素包括:电网阻抗通过复杂耦合的阻抗网络改变系统谐振特性;逆变器的非线性特性(如PWM调制、数字控制延时、器件非理想特性)加剧谐波畸变;逆变器参数差异(容量、滤波参数、控制参数等)引发差异化谐振,增加建模复杂度。
3)建模方法上,本文重点分析了3类核心方法:诺顿等效模型通过简化复杂网络为单端口模型,高效分析多谐波源交互,但仅限稳态分析;模态分析法借助特征值—特征向量分解,精准识别谐振频率与主导模态,适用于多节点系统全局分析,却难以应对时变或非线性系统;HSS法可捕捉动态特性与多频次谐波耦合,支持非线性与时变系统分析,但建模复杂、计算量大。
4)谐振抑制策略方面,被动阻尼通过在滤波器中串联或并联电阻实现,结构简单但存在能量损耗;主动抑制策略为当前研究热点,包括有源阻尼法、阻抗重塑、混合阻尼及独立的有源阻尼器。各类策略在效率、鲁棒性、复杂度上各有侧重,需结合系统需求优化选择。
5)与AI结合是时代发展的主流趋势,除前文提及的发展趋势外,未来AI在多逆变器系统中的应用也是一个很有发展性的课题。目前已有研究将AI用来进行单逆变器谐振问题的分析69,有待将其扩展应用于多逆变器并网系统中,即用AI强大的数据分析与处理能力,实时采集多逆变器系统中复杂繁多的数据,包括各个逆变器的输出电压、电流,电网的电压波动、频率变化,以及线路阻抗等信息。

引用本文:竺明哲,王宇航,葛乐.多逆变器并网系统谐振分析及抑制策略研究综述[J].浙江电力,2026,45(03):106-119.(ZHU Mingzhe,WANG Yuhang,GE Le.A review of resonance analysis and suppression strategies for multi-inverter grid-connected systems[J].ZHEJIANG ELECTRIC POWER,2026,45(03):106-119.)

作者简介:竺明哲(1991),男,博士,讲师,研究方向为新能源和新型变流器技术。

作者简介:葛乐(1982),男,博士,教授,研究方向为新能源与主动配电网。

基金信息:国家自然科学基金(52477101)

文章编号:1007-1881(2026)03-0106-14

收稿日期:2025-05-30

修回日期:2025-12-01

出版日期:2026-03-25

网刊发布日期:2026-03-30

本文编辑:孙文文  

关于我们

  • 《浙江电力》创刊于1975年,月刊,国网浙江公司、浙江省电力学会主办。

  • 《浙江电力》为中国科技核心期刊,《能源电力领域高质量科技期刊分级目录》入选期刊

  • 《浙江电力》设立“大电网运行”“直流输电与直流电网”“能源互联网”“发电技术”等栏目,兼顾电网侧与电源侧。

  • 《浙江电力》不向作者收取任何费用,稿酬丰厚,审稿与见刊速度快。

  • 编辑部联系电话:0571-51211666

  • 投稿网站:http://zjdl.cbpt.cnki.net/

长按二维码关注我们

最新文章

随机文章

基本 文件 流程 错误 SQL 调试
  1. 请求信息 : 2026-04-26 02:57:10 HTTP/2.0 GET : https://b.460.net.cn/a/527772.html
  2. 运行时间 : 0.132184s [ 吞吐率:7.57req/s ] 内存消耗:4,529.59kb 文件加载:140
  3. 缓存信息 : 0 reads,0 writes
  4. 会话信息 : SESSION_ID=560662e404014359c29c116fe33e83e6
  1. /yingpanguazai/ssd/ssd1/www/b.460.net.cn/public/index.php ( 0.79 KB )
  2. /yingpanguazai/ssd/ssd1/www/b.460.net.cn/vendor/autoload.php ( 0.17 KB )
  3. /yingpanguazai/ssd/ssd1/www/b.460.net.cn/vendor/composer/autoload_real.php ( 2.49 KB )
  4. /yingpanguazai/ssd/ssd1/www/b.460.net.cn/vendor/composer/platform_check.php ( 0.90 KB )
  5. /yingpanguazai/ssd/ssd1/www/b.460.net.cn/vendor/composer/ClassLoader.php ( 14.03 KB )
  6. /yingpanguazai/ssd/ssd1/www/b.460.net.cn/vendor/composer/autoload_static.php ( 4.90 KB )
  7. /yingpanguazai/ssd/ssd1/www/b.460.net.cn/vendor/topthink/think-helper/src/helper.php ( 8.34 KB )
  8. /yingpanguazai/ssd/ssd1/www/b.460.net.cn/vendor/topthink/think-validate/src/helper.php ( 2.19 KB )
  9. /yingpanguazai/ssd/ssd1/www/b.460.net.cn/vendor/topthink/think-orm/src/helper.php ( 1.47 KB )
  10. /yingpanguazai/ssd/ssd1/www/b.460.net.cn/vendor/topthink/think-orm/stubs/load_stubs.php ( 0.16 KB )
  11. /yingpanguazai/ssd/ssd1/www/b.460.net.cn/vendor/topthink/framework/src/think/Exception.php ( 1.69 KB )
  12. /yingpanguazai/ssd/ssd1/www/b.460.net.cn/vendor/topthink/think-container/src/Facade.php ( 2.71 KB )
  13. /yingpanguazai/ssd/ssd1/www/b.460.net.cn/vendor/symfony/deprecation-contracts/function.php ( 0.99 KB )
  14. /yingpanguazai/ssd/ssd1/www/b.460.net.cn/vendor/symfony/polyfill-mbstring/bootstrap.php ( 8.26 KB )
  15. /yingpanguazai/ssd/ssd1/www/b.460.net.cn/vendor/symfony/polyfill-mbstring/bootstrap80.php ( 9.78 KB )
  16. /yingpanguazai/ssd/ssd1/www/b.460.net.cn/vendor/symfony/var-dumper/Resources/functions/dump.php ( 1.49 KB )
  17. /yingpanguazai/ssd/ssd1/www/b.460.net.cn/vendor/topthink/think-dumper/src/helper.php ( 0.18 KB )
  18. /yingpanguazai/ssd/ssd1/www/b.460.net.cn/vendor/symfony/var-dumper/VarDumper.php ( 4.30 KB )
  19. /yingpanguazai/ssd/ssd1/www/b.460.net.cn/vendor/topthink/framework/src/think/App.php ( 15.30 KB )
  20. /yingpanguazai/ssd/ssd1/www/b.460.net.cn/vendor/topthink/think-container/src/Container.php ( 15.76 KB )
  21. /yingpanguazai/ssd/ssd1/www/b.460.net.cn/vendor/psr/container/src/ContainerInterface.php ( 1.02 KB )
  22. /yingpanguazai/ssd/ssd1/www/b.460.net.cn/app/provider.php ( 0.19 KB )
  23. /yingpanguazai/ssd/ssd1/www/b.460.net.cn/vendor/topthink/framework/src/think/Http.php ( 6.04 KB )
  24. /yingpanguazai/ssd/ssd1/www/b.460.net.cn/vendor/topthink/think-helper/src/helper/Str.php ( 7.29 KB )
  25. /yingpanguazai/ssd/ssd1/www/b.460.net.cn/vendor/topthink/framework/src/think/Env.php ( 4.68 KB )
  26. /yingpanguazai/ssd/ssd1/www/b.460.net.cn/app/common.php ( 0.03 KB )
  27. /yingpanguazai/ssd/ssd1/www/b.460.net.cn/vendor/topthink/framework/src/helper.php ( 18.78 KB )
  28. /yingpanguazai/ssd/ssd1/www/b.460.net.cn/vendor/topthink/framework/src/think/Config.php ( 5.54 KB )
  29. /yingpanguazai/ssd/ssd1/www/b.460.net.cn/config/app.php ( 0.95 KB )
  30. /yingpanguazai/ssd/ssd1/www/b.460.net.cn/config/cache.php ( 0.78 KB )
  31. /yingpanguazai/ssd/ssd1/www/b.460.net.cn/config/console.php ( 0.23 KB )
  32. /yingpanguazai/ssd/ssd1/www/b.460.net.cn/config/cookie.php ( 0.56 KB )
  33. /yingpanguazai/ssd/ssd1/www/b.460.net.cn/config/database.php ( 2.47 KB )
  34. /yingpanguazai/ssd/ssd1/www/b.460.net.cn/vendor/topthink/framework/src/think/facade/Env.php ( 1.67 KB )
  35. /yingpanguazai/ssd/ssd1/www/b.460.net.cn/config/filesystem.php ( 0.61 KB )
  36. /yingpanguazai/ssd/ssd1/www/b.460.net.cn/config/lang.php ( 0.91 KB )
  37. /yingpanguazai/ssd/ssd1/www/b.460.net.cn/config/log.php ( 1.35 KB )
  38. /yingpanguazai/ssd/ssd1/www/b.460.net.cn/config/middleware.php ( 0.19 KB )
  39. /yingpanguazai/ssd/ssd1/www/b.460.net.cn/config/route.php ( 1.89 KB )
  40. /yingpanguazai/ssd/ssd1/www/b.460.net.cn/config/session.php ( 0.57 KB )
  41. /yingpanguazai/ssd/ssd1/www/b.460.net.cn/config/trace.php ( 0.34 KB )
  42. /yingpanguazai/ssd/ssd1/www/b.460.net.cn/config/view.php ( 0.82 KB )
  43. /yingpanguazai/ssd/ssd1/www/b.460.net.cn/app/event.php ( 0.25 KB )
  44. /yingpanguazai/ssd/ssd1/www/b.460.net.cn/vendor/topthink/framework/src/think/Event.php ( 7.67 KB )
  45. /yingpanguazai/ssd/ssd1/www/b.460.net.cn/app/service.php ( 0.13 KB )
  46. /yingpanguazai/ssd/ssd1/www/b.460.net.cn/app/AppService.php ( 0.26 KB )
  47. /yingpanguazai/ssd/ssd1/www/b.460.net.cn/vendor/topthink/framework/src/think/Service.php ( 1.64 KB )
  48. /yingpanguazai/ssd/ssd1/www/b.460.net.cn/vendor/topthink/framework/src/think/Lang.php ( 7.35 KB )
  49. /yingpanguazai/ssd/ssd1/www/b.460.net.cn/vendor/topthink/framework/src/lang/zh-cn.php ( 13.70 KB )
  50. /yingpanguazai/ssd/ssd1/www/b.460.net.cn/vendor/topthink/framework/src/think/initializer/Error.php ( 3.31 KB )
  51. /yingpanguazai/ssd/ssd1/www/b.460.net.cn/vendor/topthink/framework/src/think/initializer/RegisterService.php ( 1.33 KB )
  52. /yingpanguazai/ssd/ssd1/www/b.460.net.cn/vendor/services.php ( 0.14 KB )
  53. /yingpanguazai/ssd/ssd1/www/b.460.net.cn/vendor/topthink/framework/src/think/service/PaginatorService.php ( 1.52 KB )
  54. /yingpanguazai/ssd/ssd1/www/b.460.net.cn/vendor/topthink/framework/src/think/service/ValidateService.php ( 0.99 KB )
  55. /yingpanguazai/ssd/ssd1/www/b.460.net.cn/vendor/topthink/framework/src/think/service/ModelService.php ( 2.04 KB )
  56. /yingpanguazai/ssd/ssd1/www/b.460.net.cn/vendor/topthink/think-trace/src/Service.php ( 0.77 KB )
  57. /yingpanguazai/ssd/ssd1/www/b.460.net.cn/vendor/topthink/framework/src/think/Middleware.php ( 6.72 KB )
  58. /yingpanguazai/ssd/ssd1/www/b.460.net.cn/vendor/topthink/framework/src/think/initializer/BootService.php ( 0.77 KB )
  59. /yingpanguazai/ssd/ssd1/www/b.460.net.cn/vendor/topthink/think-orm/src/Paginator.php ( 11.86 KB )
  60. /yingpanguazai/ssd/ssd1/www/b.460.net.cn/vendor/topthink/think-validate/src/Validate.php ( 63.20 KB )
  61. /yingpanguazai/ssd/ssd1/www/b.460.net.cn/vendor/topthink/think-orm/src/Model.php ( 23.55 KB )
  62. /yingpanguazai/ssd/ssd1/www/b.460.net.cn/vendor/topthink/think-orm/src/model/concern/Attribute.php ( 21.05 KB )
  63. /yingpanguazai/ssd/ssd1/www/b.460.net.cn/vendor/topthink/think-orm/src/model/concern/AutoWriteData.php ( 4.21 KB )
  64. /yingpanguazai/ssd/ssd1/www/b.460.net.cn/vendor/topthink/think-orm/src/model/concern/Conversion.php ( 6.44 KB )
  65. /yingpanguazai/ssd/ssd1/www/b.460.net.cn/vendor/topthink/think-orm/src/model/concern/DbConnect.php ( 5.16 KB )
  66. /yingpanguazai/ssd/ssd1/www/b.460.net.cn/vendor/topthink/think-orm/src/model/concern/ModelEvent.php ( 2.33 KB )
  67. /yingpanguazai/ssd/ssd1/www/b.460.net.cn/vendor/topthink/think-orm/src/model/concern/RelationShip.php ( 28.29 KB )
  68. /yingpanguazai/ssd/ssd1/www/b.460.net.cn/vendor/topthink/think-helper/src/contract/Arrayable.php ( 0.09 KB )
  69. /yingpanguazai/ssd/ssd1/www/b.460.net.cn/vendor/topthink/think-helper/src/contract/Jsonable.php ( 0.13 KB )
  70. /yingpanguazai/ssd/ssd1/www/b.460.net.cn/vendor/topthink/think-orm/src/model/contract/Modelable.php ( 0.09 KB )
  71. /yingpanguazai/ssd/ssd1/www/b.460.net.cn/vendor/topthink/framework/src/think/Db.php ( 2.88 KB )
  72. /yingpanguazai/ssd/ssd1/www/b.460.net.cn/vendor/topthink/think-orm/src/DbManager.php ( 8.52 KB )
  73. /yingpanguazai/ssd/ssd1/www/b.460.net.cn/vendor/topthink/framework/src/think/Log.php ( 6.28 KB )
  74. /yingpanguazai/ssd/ssd1/www/b.460.net.cn/vendor/topthink/framework/src/think/Manager.php ( 3.92 KB )
  75. /yingpanguazai/ssd/ssd1/www/b.460.net.cn/vendor/psr/log/src/LoggerTrait.php ( 2.69 KB )
  76. /yingpanguazai/ssd/ssd1/www/b.460.net.cn/vendor/psr/log/src/LoggerInterface.php ( 2.71 KB )
  77. /yingpanguazai/ssd/ssd1/www/b.460.net.cn/vendor/topthink/framework/src/think/Cache.php ( 4.92 KB )
  78. /yingpanguazai/ssd/ssd1/www/b.460.net.cn/vendor/psr/simple-cache/src/CacheInterface.php ( 4.71 KB )
  79. /yingpanguazai/ssd/ssd1/www/b.460.net.cn/vendor/topthink/think-helper/src/helper/Arr.php ( 16.63 KB )
  80. /yingpanguazai/ssd/ssd1/www/b.460.net.cn/vendor/topthink/framework/src/think/cache/driver/File.php ( 7.84 KB )
  81. /yingpanguazai/ssd/ssd1/www/b.460.net.cn/vendor/topthink/framework/src/think/cache/Driver.php ( 9.03 KB )
  82. /yingpanguazai/ssd/ssd1/www/b.460.net.cn/vendor/topthink/framework/src/think/contract/CacheHandlerInterface.php ( 1.99 KB )
  83. /yingpanguazai/ssd/ssd1/www/b.460.net.cn/app/Request.php ( 0.09 KB )
  84. /yingpanguazai/ssd/ssd1/www/b.460.net.cn/vendor/topthink/framework/src/think/Request.php ( 55.78 KB )
  85. /yingpanguazai/ssd/ssd1/www/b.460.net.cn/app/middleware.php ( 0.25 KB )
  86. /yingpanguazai/ssd/ssd1/www/b.460.net.cn/vendor/topthink/framework/src/think/Pipeline.php ( 2.61 KB )
  87. /yingpanguazai/ssd/ssd1/www/b.460.net.cn/vendor/topthink/think-trace/src/TraceDebug.php ( 3.40 KB )
  88. /yingpanguazai/ssd/ssd1/www/b.460.net.cn/vendor/topthink/framework/src/think/middleware/SessionInit.php ( 1.94 KB )
  89. /yingpanguazai/ssd/ssd1/www/b.460.net.cn/vendor/topthink/framework/src/think/Session.php ( 1.80 KB )
  90. /yingpanguazai/ssd/ssd1/www/b.460.net.cn/vendor/topthink/framework/src/think/session/driver/File.php ( 6.27 KB )
  91. /yingpanguazai/ssd/ssd1/www/b.460.net.cn/vendor/topthink/framework/src/think/contract/SessionHandlerInterface.php ( 0.87 KB )
  92. /yingpanguazai/ssd/ssd1/www/b.460.net.cn/vendor/topthink/framework/src/think/session/Store.php ( 7.12 KB )
  93. /yingpanguazai/ssd/ssd1/www/b.460.net.cn/vendor/topthink/framework/src/think/Route.php ( 23.73 KB )
  94. /yingpanguazai/ssd/ssd1/www/b.460.net.cn/vendor/topthink/framework/src/think/route/RuleName.php ( 5.75 KB )
  95. /yingpanguazai/ssd/ssd1/www/b.460.net.cn/vendor/topthink/framework/src/think/route/Domain.php ( 2.53 KB )
  96. /yingpanguazai/ssd/ssd1/www/b.460.net.cn/vendor/topthink/framework/src/think/route/RuleGroup.php ( 22.43 KB )
  97. /yingpanguazai/ssd/ssd1/www/b.460.net.cn/vendor/topthink/framework/src/think/route/Rule.php ( 26.95 KB )
  98. /yingpanguazai/ssd/ssd1/www/b.460.net.cn/vendor/topthink/framework/src/think/route/RuleItem.php ( 9.78 KB )
  99. /yingpanguazai/ssd/ssd1/www/b.460.net.cn/route/app.php ( 1.72 KB )
  100. /yingpanguazai/ssd/ssd1/www/b.460.net.cn/vendor/topthink/framework/src/think/facade/Route.php ( 4.70 KB )
  101. /yingpanguazai/ssd/ssd1/www/b.460.net.cn/vendor/topthink/framework/src/think/route/dispatch/Controller.php ( 4.74 KB )
  102. /yingpanguazai/ssd/ssd1/www/b.460.net.cn/vendor/topthink/framework/src/think/route/Dispatch.php ( 10.44 KB )
  103. /yingpanguazai/ssd/ssd1/www/b.460.net.cn/app/controller/Index.php ( 4.81 KB )
  104. /yingpanguazai/ssd/ssd1/www/b.460.net.cn/app/BaseController.php ( 2.05 KB )
  105. /yingpanguazai/ssd/ssd1/www/b.460.net.cn/vendor/topthink/think-orm/src/facade/Db.php ( 0.93 KB )
  106. /yingpanguazai/ssd/ssd1/www/b.460.net.cn/vendor/topthink/think-orm/src/db/connector/Mysql.php ( 5.44 KB )
  107. /yingpanguazai/ssd/ssd1/www/b.460.net.cn/vendor/topthink/think-orm/src/db/PDOConnection.php ( 52.47 KB )
  108. /yingpanguazai/ssd/ssd1/www/b.460.net.cn/vendor/topthink/think-orm/src/db/Connection.php ( 8.39 KB )
  109. /yingpanguazai/ssd/ssd1/www/b.460.net.cn/vendor/topthink/think-orm/src/db/ConnectionInterface.php ( 4.57 KB )
  110. /yingpanguazai/ssd/ssd1/www/b.460.net.cn/vendor/topthink/think-orm/src/db/builder/Mysql.php ( 16.58 KB )
  111. /yingpanguazai/ssd/ssd1/www/b.460.net.cn/vendor/topthink/think-orm/src/db/Builder.php ( 24.06 KB )
  112. /yingpanguazai/ssd/ssd1/www/b.460.net.cn/vendor/topthink/think-orm/src/db/BaseBuilder.php ( 27.50 KB )
  113. /yingpanguazai/ssd/ssd1/www/b.460.net.cn/vendor/topthink/think-orm/src/db/Query.php ( 15.71 KB )
  114. /yingpanguazai/ssd/ssd1/www/b.460.net.cn/vendor/topthink/think-orm/src/db/BaseQuery.php ( 45.13 KB )
  115. /yingpanguazai/ssd/ssd1/www/b.460.net.cn/vendor/topthink/think-orm/src/db/concern/TimeFieldQuery.php ( 7.43 KB )
  116. /yingpanguazai/ssd/ssd1/www/b.460.net.cn/vendor/topthink/think-orm/src/db/concern/AggregateQuery.php ( 3.26 KB )
  117. /yingpanguazai/ssd/ssd1/www/b.460.net.cn/vendor/topthink/think-orm/src/db/concern/ModelRelationQuery.php ( 20.07 KB )
  118. /yingpanguazai/ssd/ssd1/www/b.460.net.cn/vendor/topthink/think-orm/src/db/concern/ParamsBind.php ( 3.66 KB )
  119. /yingpanguazai/ssd/ssd1/www/b.460.net.cn/vendor/topthink/think-orm/src/db/concern/ResultOperation.php ( 7.01 KB )
  120. /yingpanguazai/ssd/ssd1/www/b.460.net.cn/vendor/topthink/think-orm/src/db/concern/WhereQuery.php ( 19.37 KB )
  121. /yingpanguazai/ssd/ssd1/www/b.460.net.cn/vendor/topthink/think-orm/src/db/concern/JoinAndViewQuery.php ( 7.11 KB )
  122. /yingpanguazai/ssd/ssd1/www/b.460.net.cn/vendor/topthink/think-orm/src/db/concern/TableFieldInfo.php ( 2.63 KB )
  123. /yingpanguazai/ssd/ssd1/www/b.460.net.cn/vendor/topthink/think-orm/src/db/concern/Transaction.php ( 2.77 KB )
  124. /yingpanguazai/ssd/ssd1/www/b.460.net.cn/vendor/topthink/framework/src/think/log/driver/File.php ( 5.96 KB )
  125. /yingpanguazai/ssd/ssd1/www/b.460.net.cn/vendor/topthink/framework/src/think/contract/LogHandlerInterface.php ( 0.86 KB )
  126. /yingpanguazai/ssd/ssd1/www/b.460.net.cn/vendor/topthink/framework/src/think/log/Channel.php ( 3.89 KB )
  127. /yingpanguazai/ssd/ssd1/www/b.460.net.cn/vendor/topthink/framework/src/think/event/LogRecord.php ( 1.02 KB )
  128. /yingpanguazai/ssd/ssd1/www/b.460.net.cn/vendor/topthink/think-helper/src/Collection.php ( 16.47 KB )
  129. /yingpanguazai/ssd/ssd1/www/b.460.net.cn/vendor/topthink/framework/src/think/facade/View.php ( 1.70 KB )
  130. /yingpanguazai/ssd/ssd1/www/b.460.net.cn/vendor/topthink/framework/src/think/View.php ( 4.39 KB )
  131. /yingpanguazai/ssd/ssd1/www/b.460.net.cn/vendor/topthink/framework/src/think/Response.php ( 8.81 KB )
  132. /yingpanguazai/ssd/ssd1/www/b.460.net.cn/vendor/topthink/framework/src/think/response/View.php ( 3.29 KB )
  133. /yingpanguazai/ssd/ssd1/www/b.460.net.cn/vendor/topthink/framework/src/think/Cookie.php ( 6.06 KB )
  134. /yingpanguazai/ssd/ssd1/www/b.460.net.cn/vendor/topthink/think-view/src/Think.php ( 8.38 KB )
  135. /yingpanguazai/ssd/ssd1/www/b.460.net.cn/vendor/topthink/framework/src/think/contract/TemplateHandlerInterface.php ( 1.60 KB )
  136. /yingpanguazai/ssd/ssd1/www/b.460.net.cn/vendor/topthink/think-template/src/Template.php ( 46.61 KB )
  137. /yingpanguazai/ssd/ssd1/www/b.460.net.cn/vendor/topthink/think-template/src/template/driver/File.php ( 2.41 KB )
  138. /yingpanguazai/ssd/ssd1/www/b.460.net.cn/vendor/topthink/think-template/src/template/contract/DriverInterface.php ( 0.86 KB )
  139. /yingpanguazai/ssd/ssd1/www/b.460.net.cn/runtime/temp/b35eef690f41e64ad9e1c098cfc7d3bc.php ( 11.98 KB )
  140. /yingpanguazai/ssd/ssd1/www/b.460.net.cn/vendor/topthink/think-trace/src/Html.php ( 4.42 KB )
  1. CONNECT:[ UseTime:0.000712s ] mysql:host=127.0.0.1;port=3306;dbname=b460;charset=utf8mb4
  2. SHOW FULL COLUMNS FROM `fenlei` [ RunTime:0.000817s ]
  3. SELECT * FROM `fenlei` WHERE `fid` = 0 [ RunTime:0.000319s ]
  4. SELECT * FROM `fenlei` WHERE `fid` = 63 [ RunTime:0.000311s ]
  5. SHOW FULL COLUMNS FROM `set` [ RunTime:0.000841s ]
  6. SELECT * FROM `set` [ RunTime:0.000308s ]
  7. SHOW FULL COLUMNS FROM `article` [ RunTime:0.000832s ]
  8. SELECT * FROM `article` WHERE `id` = 527772 LIMIT 1 [ RunTime:0.003814s ]
  9. UPDATE `article` SET `lasttime` = 1777143430 WHERE `id` = 527772 [ RunTime:0.013315s ]
  10. SELECT * FROM `fenlei` WHERE `id` = 65 LIMIT 1 [ RunTime:0.000408s ]
  11. SELECT * FROM `article` WHERE `id` < 527772 ORDER BY `id` DESC LIMIT 1 [ RunTime:0.000750s ]
  12. SELECT * FROM `article` WHERE `id` > 527772 ORDER BY `id` ASC LIMIT 1 [ RunTime:0.000738s ]
  13. SELECT * FROM `article` WHERE `id` < 527772 ORDER BY `id` DESC LIMIT 10 [ RunTime:0.001085s ]
  14. SELECT * FROM `article` WHERE `id` < 527772 ORDER BY `id` DESC LIMIT 10,10 [ RunTime:0.000964s ]
  15. SELECT * FROM `article` WHERE `id` < 527772 ORDER BY `id` DESC LIMIT 20,10 [ RunTime:0.001573s ]
0.134713s